| Основные характеристики | |
|---|---|
| Производитель | CMX Audio |
| Страна производства | Китай |
| Срок гарантии | 12 месяцев |
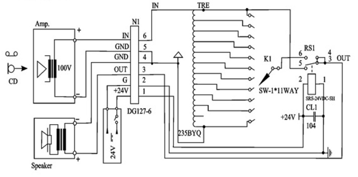
CMX Audio VC-C120 Регулятор громкости (аттенюатор) мощность 120 Вт, 5 положений
Компания Guangzhou CMX Audio Co., Ltd. является лидером по производству трансляционного оборудования в Китае. Фирма использует только лучшее сырье и соблюдает шестиэтапную систему контроля качества. Большая часть продуктов компании соответствует сертификатам CE, RoHS, CB, EN54-16, C-tick, FCC и EN54-24, что подтверждает надежность продукции.
Особенности модели:
- система PA (Public Address) использует регулятор громкости 100 В;
- система фоновой музыки использует аттенюатор на 100 вольт;
- сбалансированный XLR вход через разъем Phoenix для двух каналов;
- классический регулятор громкости для экономичного использования системы;
- высокоуровневый АБС-материал белого цвета, защищенный от ультрафиолета;
- встроенный трансформатор для управления линейными громкоговорителями PA 100 В или 70 В;
- 4 уровня громкости и одна позиция выключения.
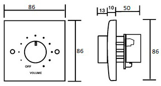
- Размер (ШxВxГ), мм: 86х86х60
Регулятор громкости CMX Audio VC-C120 – это высокое качество и надежность!




Отзывы о CMX Audio VC-C120